ホバークラフトが浮上する原理
 ホバークラフトが地面から浮上すると言うと、強力な風を地面に吹き付けてその反動で浮いていると思われるかもしれませんが、実際には機体と地面の間に空気だまりを作りその中の空気圧で浮上しています。 この「空気だまり」をつくるために不可欠な要素に「スカート」と呼ばれるものがあります。スカートは、地面や水面の形に追従して変形するように作られていて、うまく作られたスカートを使えばスカートではわずかな動力で重たい機体を浮上させることができます。
 ホバークラフトは車体が地面や水面から浮上しているため、自動車のタイヤのように地面との摩擦を利用するしくみでは前に進むことができません。 そのため、多くのホバークラフトはプロペラを使って前に進みます。

 今回作るホバークラフトは、推進するための機構は付けません。したがって、今回はホバークラフトというよりかはホバー座布団と呼んだ方が良いかもしれないですね。

具体的な諸元を決めよう
機体サイズ
 機体上面の大きさは、1820mm×910mmとする。 このサイズに決定した根拠は、入手できる木材の板や角材のサイズは1820mm(6尺)を基準としていることによる。
浮上高さ
 浮上した時の地面から機体上面までの高さは約160mmとする。 一般的にホバークラフトの浮上高さは、機体の幅の1/7程度にするのが良いと言われています。
浮上重量
 乗る人の体重+機体の自重=100Kgとする。
送風機の合計出力
 機体上面の面積は1.82m × 0.91m = 1.66m2 浮上重量=100Kg であるので、単純に計算すると590Paの空気圧を得ることが出来れば浮上できることになる。ただし、余裕を見て送風機の吐き出し圧力は750Pa(全圧)とする。
 合計風量は10m3/min とする。 これは、実験機2号で得られたデータ。今回のメンバーが以前にホバークラフトを作った時の経験によりこの風量に決定した。
 すなわち、ファンの出力は理想的には 750Pa × 0.167 m3/sec = 125 W となる。

送風機の設計
 送風機は大きく分類すると、軸流ファン遠心ファンの二種類があります。軸流ファンは、ちょうど扇風機のような形状の送風機で、得られる圧力は高くないが大きな流量を得ることができます。一方、遠心ファンはシステムキッチンの換気扇などに使われていて、比較的高い圧力が欲しい場合に用いられます。

 今回は以下のような理由から遠心ファンを使うことにしました。
・比較的高い圧力が欲しい。
・厚紙でも容易に作ることができる。(性能に大きな影響をもたらす羽根の角度を設計通りに作ることが容易)
・強度が高い。
・設計点から外れた状態で運転しても、性能が安定している。


 送風機で得られる圧力は羽根車の外周速度のみでほとんど決まってしまう。つまり、送風機の台数をいくら増やしたところで増加するのは空気の流量のみで、圧力はさほど上昇しない。1台で目標とする750Paの圧力が得られるファンを作り、それを何個も並列運転させることで、目標とする10m3/minの流量を得る必要があるのだ。 750Paの圧力を得るためには、羽根車の外周速度を約77m/にする必要がある。ここで、羽根車の直径を大きくすれば羽根車の回転数を低くすることができる。その反対に羽根車の直径を小さくしたいならば回転数を上げれば良いことになります。

 今回用いるモーターは工作用の小型マブチモーターにも幾つかの種類があります。
 まずは、ミニ四駆でおなじみのFA-130型モーターを使うことを考えて見ました・・・  しかし、このモーターはあまりに小型すぎて1台で750Paの圧力を得る送風機を作ろうとすると羽根車の厚さが2mm程度になってしまう。これでは、製作が難しくなる上に羽根表面の境界層の影響が大きくなることが考えられる。。。  よって、断念!
 しかたないので・・・ ミニ四駆で使われているモーターよりもひとまわり大きなモーターはどうだ! 某電子部品屋で1個100円で手に入れたFC-280型モーター(左の写真)を使う前提で計算してみたら合理的な値が出たぞぉ〜 
 送風機の効率を上げるよりも工作の難易度を下げることに重点をおいたため、流体機械を良く知っている人から見ると奇妙な設計になっていますが…

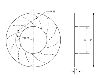
このファン1個当たりの諸元
・圧力: 750Pa(全圧)
・風量: 0.45m3/min
・定格回転数: 12000RPM
・比速度:46.1
・出力:5.6W
このファンを24個並列運転することにしました。これを工作用紙で作ります。
イベント当日は、ハサミで切る場所やノリで羽根を貼り付ける場所を印刷した厚紙(工作用紙)を配布します。
遠心ファンの作り方[厚紙印刷用] (pdfファイル 613kB)
遠心ファンの漢字がミスってますが怒らないでね。

自首します。。。ルール違反をしました。 
模型工作用のモーターと言いながら若干大きめのモーターを選定しました。しかも、12V用のモーターです。
さらにどいことに、このモーターに18〜20Vの電圧をかけて回す設計です。
 なにか文句あるかぁ?? この程度のモーターでも十分にも計工作用と呼んで問題無い範囲だぞ!
「模型用モーターで人を浮かせよう」なんて計画にそもそも無理があるんだよ!

つづく・・・